A baszkföldi egyetem felvételi vizsgájának feladatai - UPV-EHU (2010-2012)

[PDF]

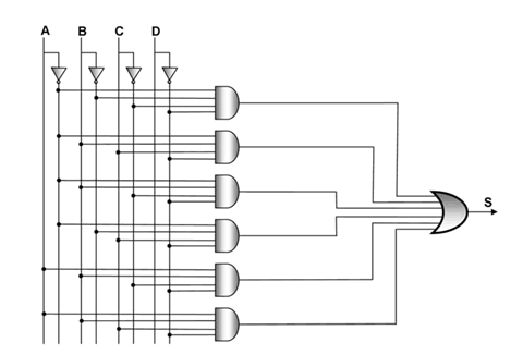
1. feladat

Az ábrán lévő áramkört figyelembe véve az alábbi lépések szerint kell érvelnie:

a) Logikai függvény egyenlete. (0,5 pont)

b) Karnaugh-térkép. (0,5 pont)

c) Egyszerűsített függvény elérése. (0,5 pont)

d) Az áramkör ábrázolása a lehető legkevesebb számú lehetséges kapuval. (0,5 pont)

 

 

 

F1.jpg

 

 

 

 

 

 

 

 

 

 

 

2. feladat

A motor irányítását egy 4 darab kapcsolóból (A, B, C és D) álló digitális rendszer végzi az alábbi feltételek teljesítésével:

A motor akkor működik...

- amikor csak az A kapcsoló van aktiválva.

- amikor csak a C vagy D kapcsoló van aktiválva.

- amikor csak az A és B kapcsoló van aktiválva.

- amikor mind a 4 kapcsoló aktiválva van.

Valamennyi lépéssel számolva a következőt kell előállítani:

- a) A motorvezérlő rendszer igazságtábláját. (1 pont)

- b) A Karnaugh-térképet. (0,5 pont)

- c) A minimalizált logikai függvényt. (0,5 pont)

- d) A motorvezérlő minimalizált függvény logikai elektronikai áramkörét.

(0,5 pont)

3. feladat

Az egyik épületfolyosó világítását vezérlő rendszer automatikája a következőkből épül fel:

  • A folyosó két határánál elhelyezett két mozgásérzékelő (a és b).
  • A folyosó közepére elhelyezett fényérzékelő (c).
  • A vezérlőhelyiségben elhelyezett kézi kapcsoló (d).

A folyosói világítás a következő esetekben kapcsolódik fel:

I. Ha a kézi kapcsolót (d) aktiválják, függetlenül a többi elem helyzetétől.

II. Ha a fényérzékelő (c) (elégtelen fény) aktiválódik legalább egy mozgásérzékelővel együtt (a és b).

A fentieket figyelembe véve állítsa elő az alábbiakat:

1) A világításvezérlő rendszer igazságtábláját. (1 pont)

2) A Karnaugh-térképet. (0,5 pont)

3) A minimalizált logikai függvényt. (0,5 pont)

4) A világítási rendszert vezérlő minimalizált függvény elektronikus logikai áramkörét. (0,5 pont)

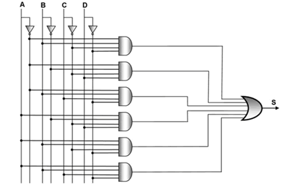
4. feladat

Az ábrán lévő áramkört figyelembe véve az alábbi lépések szerint kell érvelnie és azokat megtenni:

a) Logikai függvény egyenlete. (0,5 pont)

b) Karnaugh-térkép. (0,5 pont)

c) A minimalizált függvény lekérése. (1 pont)

d) Az új áramkör ábrázolása a lehető legkevesebb számú lehetséges kapuval. (0,5 pont)

F4.jpg

 

5. feladat

Az ábrán lévő áramkört figyelembe véve az alábbi lépések szerint kell érvelnie:

a) Logikai függvény egyenlete. (0,5 pont)

b) Karnaugh-térkép. (0,5 pont)

c) A minimalizált függvény lekérése. (1 pont)

d) Az áramkör ismételt ábrázolása a lehető legkevesebb számú lehetséges kapuval.

(0,5 pont)

6. feladat

Az egyik biztonsági ajtó nyitását egy alábbi elemekből álló rendszer végzi automatikusan:

1. Az ajtóba szerelt egyetlen kapcsoló (a)

2. Az ajtóba szerelt két kapcsoló (b és c)

3. A vezérlőhelyiségben elhelyezett kapcsoló (d)

A kapu az alábbi esetekben nyílik

a) Amikor a kapcsoló (a) és legalább egy a kapuban elhelyezett kapcsoló (b és c) aktiválódik

b) Amikor az (a) kapcsoló és a vezérlőhelyiségben elhelyezett (d) kapcsoló aktiválódik, függetlenül az adott helyzettől és a többi rendszerelemtől.

Valamennyi fenti lépéssel számolva a következőt kell előállítani:

a) Az ajtónyitó rendszer igazságtábláját (1 pont)

b) A Karnaugh-térképet (0,5 pont)

c) A minimalizált logikai függvényt (0,5 pont)

d) A biztonsági ajtó nyitórendszerét vezérlő minimalizált függvény elektronikus logikai áramkörét. (0,5 pont)

7. feladat

Az ábrán lévő áramkört figyelembe véve a következőt kell előállítani:

a) Logikai függvény egyenlete. (1 pont)

b) Karnaugh-térkép. (1,5 pont)

c) A minimalizált függvény lekérése. (1,5 pont)

d) Az áramkör újbóli ábrázolása a lehető legkevesebb számú lehetséges kapuval. (1 pont)

F7.jpg

8. feladat

Egy nyomda irányítását egy 4 darab kapcsolóból (A, B, C és D) álló digitális rendszer végzi az alábbi feltételek teljesítésével:

A motor akkor működik...

amikor csak az A és B kapcsoló van aktiválva.

amikor csak az A és C kapcsoló van aktiválva.

amikor az A és D kapcsoló a többi kapcsoló állásától függetlenül aktiválva van.

Valamennyi lépéssel számolva a következőt kell előállítani:

a) A rendszer igazságtábláját. (1,5 pont)

b) A Karnaugh-térképet. (1 pont)

c) A kimenet legkisebbre minimalizált egyenletét (nyomda működése). (1,5 pont)

d) A nyomda működését vezérlő logikai elektronikus áramkört. (1 pont)